×
搜索
搜索
网站导航
首 页
关于玺诚
产品中心
新闻资讯
联系我们
荣誉资质
应用案例
专利证书
您的位置:
首页
→
产品中心
→
EE16系列
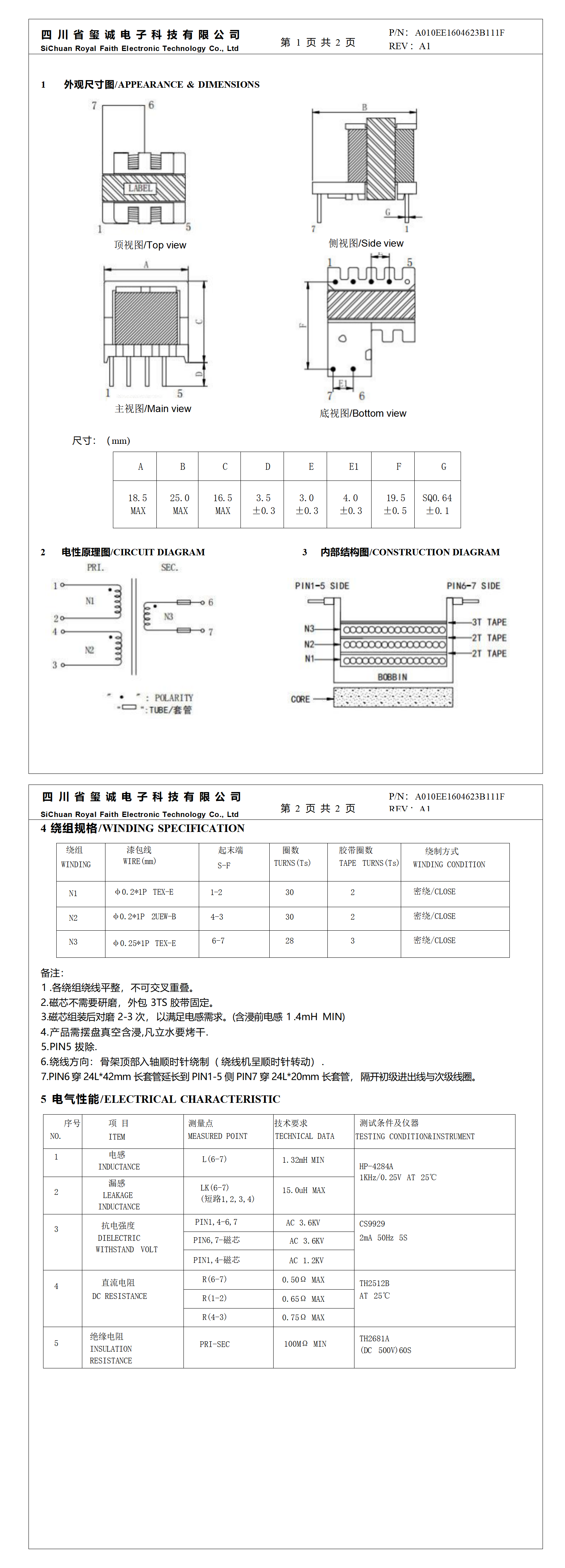
A010EE1604623B111F
上一个:A010EE1604529B111F
下一个:A010EE16050F80114F
详情介绍
四川省玺诚电子科技有限公司
©2023